均速管流量計_均速管流量計的分類
西安華恒儀表制造有限公司是掌握流量計、壓力變送器、密度計、液位計核心技術的儀表生產廠家。主要生產流量計/壓力變送器/密度計/液位計OEM(代工),擁有自主的研發團隊和生產線??梢宰灾餮邪l設計滿足各行業、各環境下的高精度流量計。今天和大家分享一下均速管流量計_均速管流量計的分類。

一、概述
均速管流量計(阿牛巴)是基于畢托管測速原理發展起來的一種新穎的流量儀表。其突出的優點是結構相對簡單、重量輕、成本低廉、壓損小、安裝維護方便、儀表配套適應性強,適用于圓形、矩形、多面形管道的流量測量。在工藝管徑日益增大而又要求安裝方便的情況下,均速管流量計更是作為大管徑流量測量的首選。該流量計廣泛被應用于火電、核電、石油、輕紡、造紙、冶金、化工等行業中對液體、氣體及蒸汽等介質的流量測量和控制。
由于均速管流量計測量的是流體的點速度,因此,對直管段的要求比一般速度型流量計要長,只有保證足夠的直管段長度,才能使管內流體有穩定的流速分布。一般要求前直管段最短長度在10D以上。由于流體若處在層流與紊流之間的過渡區時狀態不易移定,所以本流量計所選擇的雷諾數不宜在2000~5000之間。

均速管與孔板在被測管道中造成的壓力損失對比示意圖
二、測量原理
均速管流量計是基于皮托管測速原理發展起來的,它是通過管道的平均流速及管道的有效截面積的乘積來確定流量的。
一般管道中的流速分布是不均勻的。如果是充分發展的流體,其速度分布為指數規律。為了準確計量,將整個圓截面分成四個單元面積相等的兩個半圓及兩個半環。均速管流量計的檢測桿是由一根中空的金屬管組成,布置在垂直于流向的工藝管道中,迎流面鉆兩對總壓孔,分別處于各單元面積的中央,它們分別反映了各單元面積的流速大小。由于各總壓孔是相通的,傳至檢測桿中的各點總壓值平均后,由總壓引出管經高壓接頭,送到變送器的正壓室。當均速管流量計正確安裝在有足夠長度直管段的工藝管道上時,流量截面上應沒有旋渦,整個截面的靜壓可認為是常數。在檢測桿的背面中間設有一個檢測孔,代表了整個截面的靜壓。經靜壓引出管由低壓接頭引至變送器的負壓室,正、負壓室測得的差壓的平方與流量截面的平均流速成正比,從而獲得差壓與流量成正比的關系。

因此,均速管流量計是由傳感器、(測桿)引壓附件、(正、負引壓毛細管、引壓管)控制閥、變送器、(差壓變送器、壓力變送器、溫度變送器)、流量積算儀等件配套組成的流量計。
均速管流量計的流量計算公式如下:

三、基本參數
1測桿的截面形狀
測桿的截面形狀如下圖所示

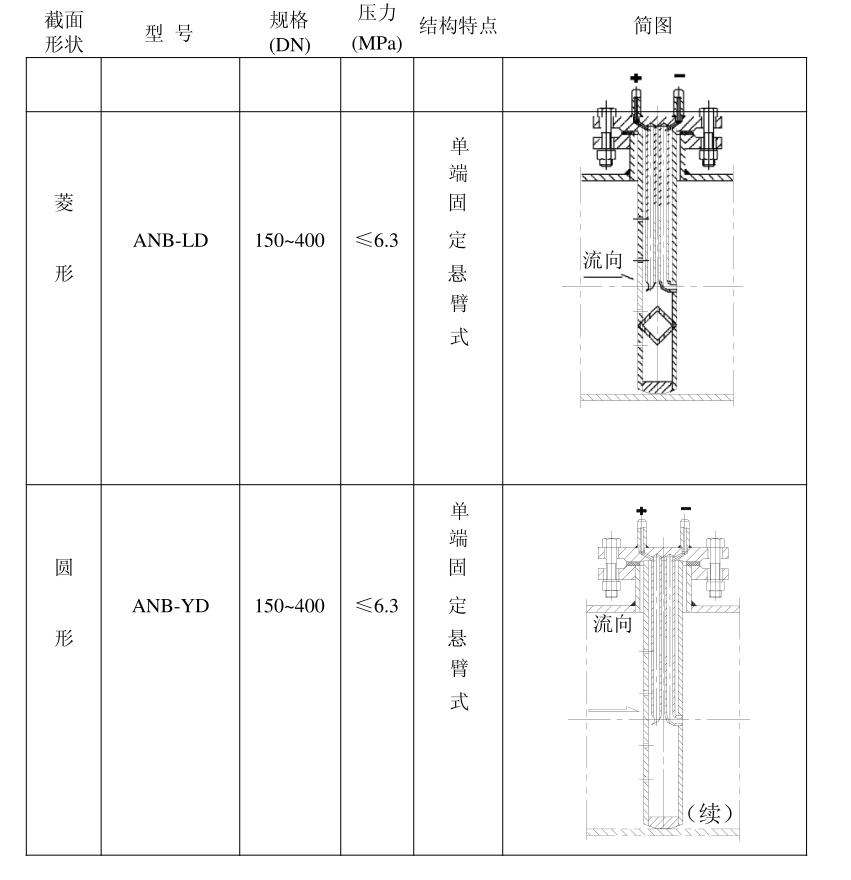
2分類
1按測桿外形分類:a、(圓形)笛形均速管流量計b、(菱形)菱形均速管流量計
c、橢圓形
d、雙管(前后)形73型均速管流量計
2按結構形式分類
a、分離型b、懸臂形
?。▎味斯潭ǎヽ、支撐
形(雙端固定)
3按工作條件分類
a、普通型b、耐腐蝕
型c、高溫高壓型
4按連接方式分類
a、插入型
b、整體型
3公稱通徑DN
通徑范圍:DN80~DN5000(mm)
4公稱壓力PN
公稱壓力范圍:0.01~6.3(Mpa)
5均速管流量計的準確度

6工作溫度
非耐高溫裝置被測介質工作溫度上限值為200℃
耐高溫裝置被測介質工作溫度上限值為450℃。
四、型號規格
產品型號編制形式:



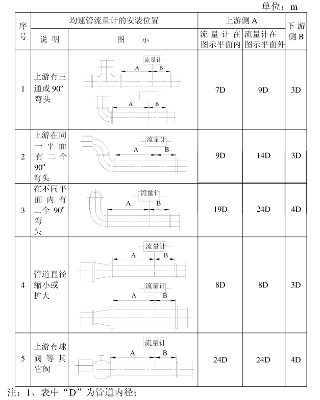
五、上、下游側必要的直管段長度由于均速管流量計是以速度面積法為基礎,采用近似積分理論,
用較多的點來描述流速分布方程,并且是在充分發展的速度分布條件下建立的。所以,為了能得到一個理想的速度分布,必須在均速管流量計前后有一定的直管段長度。

2、在直管段不足的情況下,上游應占直管段全長的70%,下游占30%。此時仍可給定穩定的示值,但準確度有所下降。
相信通過以上均速管流量計_均速管流量計的分類的全部容,能夠使大家對均速管流量計_均速管流量計的分類有一個較為全面的認識,對選擇合適的液體流量計有所幫助。如有疑問,可以隨時聯系我們。
最新資訊文章
- 流速式流量計的安裝注意也需要一定講究
- 氣體渦街流量計在測量蒸汽爐煤氣時出現問題及解決方法
- 孔板流量計測量瓦斯抽放流量時的安裝要求及取壓方式
- 測蒸汽時應選孔板流量計還是渦街流量計?
- 差壓孔板流量計出現故障時 不妨試試以下方法
- 天然氣流量計管道調試故障原因分析
- 插入式流量計的原理與分類
- 如何消除污水流量計工頻干擾和零點漂移
- 孔板流量計:自動化設計廢鋼鐵行業轉行井噴
- 前后直管段太短時孔板流量計應該如何安裝
- 德爾塔巴流量計的安裝要求以及注意
- 高壓孔板流量計在冷凍水檢測中的注意要點及解決方案介紹
- 選型蒸汽流量計時所需要注意的問題介紹
- 導致孔板流量計誤差變大的原因分析
- 孔板流量計測量蒸汽產生誤差的原因分析及解決辦法
- 深入探究影響孔板流量計進行煤氣流量計量的因素
- 質量流量計和控制器引擎蓋下的主要組件詳細介紹
- 淺析階躍溫度及水流速度對金屬管浮子流量計的影響
- 選擇流量計時會犯的10個常見錯誤以及如何避免錯誤
- 運用標準計量器具校正金屬管浮子流量計
- 如何正確安裝蒸汽流量計
- 天燃氣流量計的功能介紹
- 蒸汽流量計運行工作前的準備和調試
- 限流孔板流量計作為流量測量元件的使用條件有哪些
- 環形孔板流量計在各介質中的應用











