一體化孔板流量計
西安華恒儀表制造有限公司是主要生產流量計和變送器的儀表廠家,擁有自主的研發團隊和生產線??梢宰灾餮邪l設計滿足各行業、各環境下的高精度流量計。今天和大家分享一下一體化孔板流量計。
一、概述
此系列一體化孔板流量計是我公司研制開發的一種新型智能型孔板??蓮V泛應用于石油、煉化、化工、天然氣、冶金、電力、制藥等領域中各種液體、氣體、天然氣及蒸汽質量流量的測量和計量。變送器輸出的模擬信號或數字信號可與計算機聯網也可輸送給各種流量儀實現遠程流量顯示或控制。
二、特點
● 一體化式結構、質量流量測量
● 測量精度高量程比寬
● 低功耗電池現場顯示能在線直接讀取示值顯示屏可同時讀取瞬時流量、累積流量以及棒圖百分比
● 最小壓差可達10mmH2O
● 耐高溫、高壓可適用于各種工況條件
● 智能變送、溫/壓全工況自動補償
● 開放式數字平臺多用途串行接口現場總線結構
● 現場數顯、信號遠傳兼容模擬量和數字化雙向通迅共存方便系統組建和入網模擬量和數字化雙向通迅共存方便系統組建和入網
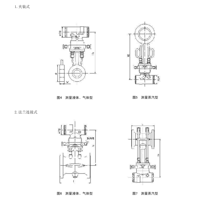
五、流量計結構
1結構
此系列一體化智能孔板由取壓裝置、三閥組、智能差壓變送器及溫/壓傳感器等主要部分組成。
2三閥組的作用
● 可使一體化結構牢固減少泄漏點
● 可在線確認變送器的零點與修正
● 一旦變送器出現故障需要檢修或更換時可在不中斷工藝情況下進行操作非常方便。調零、更換變送器時三閥組閥門操作程序
● 置F1、F3閥于全閉位置順時針方向擰緊
● 將F2閥置于微開位置逆時針擰二圈
● 二個閥門開關狀態確認無誤后即可進行調零或檢修或更換。變送器重新投運時三閥組閥門操作程序
● 先關閉F2閥門
● 置F1、F3閥門于全開位置。變送器即可進入運行狀態。在如下情況下均可選用三閥組
● 為減少過程泄漏點
● 不允許中斷工藝過程
● 方便變送器檢查或更換
3溫/壓傳感器
溫/壓傳感器用以傳輸被測流體的溫度與壓力信號由智能差壓變送器實現溫/壓全工況的自動補償以得到真實、準確的質量流量。
4智能差壓變送器
把差壓傳感器的信號進行采集處理對溫度、壓力補償進行運算并最終顯示或輸出流量信號。
六、測量原理
當充滿管道的流體流過孔板時將產生局部收縮流束集中流速增加靜壓力降低于是在孔板前后產生一個靜壓差該壓力差與流量存在著一定的函數關系流量越大壓力差就越大。
通過導壓管將差壓信號傳遞給差壓變送器智能差壓變送器將差壓信號及流體溫/壓信號進行自動補償和智能變送。輸出420mA.DC模擬信號或脈沖信號、實現對流體的質量測量。
取壓方式常用的取壓方式有三種
1.角接取壓環室、鉆孔
2.法蘭取壓
3.D-D/2徑距取壓
七、流量計類型

八、流量計使用條件及安裝要求
1. 流體條件
● 流體必須充滿并連續地流經管道
● 流體應是均勻的、單相的或可以認為是單相的
● 流體流經孔板時不發生相變
● 流體流經孔板以前其流束必須與管道軸線平行不得有旋轉流或脈動流。
管道條件測量段管道應是直的、等截面園形管道管道內壁應光滑平整無沉積物。
3安裝、使用要求
● 流量計可以安裝在水平或垂直管道上安裝時必須注意流體流向與流量計箭頭標示方向一致。
● 測量管段內所有密封墊片夾緊后不得突入管道內否則會使流束紊亂影響測量精度。
● 流量計前后要有足夠長的直管段詳見6所述。
● 在安裝流量計的管道中不要產生過大水錘沖擊力(應小于14MPa),以免造成流量計的損壞。
● 流量計不要安裝在設有兩位式開關閥的管路中因閥的開與關所產生的沖擊力有時會損壞流量計。
● 在新鋪設的管路上安裝流量計時應在注水清掃管線之后再安裝。
● 如果先安裝流量計而后注水清掃管線時因水壓沖擊力及贓污雜質等因素容易使流量計產生故障甚至損壞。
4. 環境要求
流量計不要安裝在下述環境中
● 高溫>60℃環境中
● 暖氣等熱源附近
● 日光直射的地方
● 濕度過高的地方
● 雨淋或有水的地方
● 振動與多塵的地方
● 如無法避免時應條取適當的防護措施以避免流量計產生故障
5. 流量計安裝時前后直管段要求

以上就是一體化孔板流量計的全部內容,如有疑問,可以隨時聯系我們。
最新資訊文章
- 流速式流量計的安裝注意也需要一定講究
- 氣體渦街流量計在測量蒸汽爐煤氣時出現問題及解決方法
- 孔板流量計測量瓦斯抽放流量時的安裝要求及取壓方式
- 測蒸汽時應選孔板流量計還是渦街流量計?
- 差壓孔板流量計出現故障時 不妨試試以下方法
- 天然氣流量計管道調試故障原因分析
- 插入式流量計的原理與分類
- 如何消除污水流量計工頻干擾和零點漂移
- 孔板流量計:自動化設計廢鋼鐵行業轉行井噴
- 前后直管段太短時孔板流量計應該如何安裝
- 德爾塔巴流量計的安裝要求以及注意
- 高壓孔板流量計在冷凍水檢測中的注意要點及解決方案介紹
- 選型蒸汽流量計時所需要注意的問題介紹
- 導致孔板流量計誤差變大的原因分析
- 孔板流量計測量蒸汽產生誤差的原因分析及解決辦法
- 深入探究影響孔板流量計進行煤氣流量計量的因素
- 質量流量計和控制器引擎蓋下的主要組件詳細介紹
- 淺析階躍溫度及水流速度對金屬管浮子流量計的影響
- 選擇流量計時會犯的10個常見錯誤以及如何避免錯誤
- 運用標準計量器具校正金屬管浮子流量計
- 如何正確安裝蒸汽流量計
- 天燃氣流量計的功能介紹
- 蒸汽流量計運行工作前的準備和調試
- 限流孔板流量計作為流量測量元件的使用條件有哪些
- 環形孔板流量計在各介質中的應用












