工業污水流量計
西安華恒儀表制造有限公司是主要生產孔板流量計,電磁流量計,v錐流量計,污水流量計,蒸汽流量計,空氣流量計的儀表廠家,擁有自主的研發團隊和生產線。可以自主研發設計滿足各行業、各環境下的高精度流量計。今天和大家分享一下工業污水流量計。
工業污水
釋文:工業廢水(industrialwastewater)包括生產廢水和生產污水,是指工業生產過程中產生的廢水和廢液,其中含有隨水流失的工業生產用料、中間產物、副產品以及生產過程中產生的污染物。
工業污水
簡介:工業廢水是指工業生產過程中產生的廢水、污水和廢液,其中含有隨水流失的工業生產用料、中間產物和產品以及生產過程中產生的污染物。隨著工業的迅速發展,廢水的種類和數量迅猛增加,對水體的污染也日趨廣泛和嚴重,威脅人類的健康和安全。因此,對于保護環境來說,工業廢水的處理比城市污水的處理更為重要。
分類:通常有以下三種:第一種是按工業廢水中所含主要污染物的化學性質分類,含無機污染物為主的為無機廢水,含有機污染物為主的為有機廢水。例如電鍍廢水和礦物加工過程的廢水,是無機廢水;食品或石油加工過程的廢水,是有機廢水。第二種是按工業企業的產品和加工對象分類,如冶金廢水、造紙廢水、煉焦煤氣廢水、金屬酸洗廢水、化學肥料廢水、紡織印染廢水、染料廢水、制革廢水、農藥廢水、電站廢水等。第三種是按廢水中所含污染物的主要成分分類,如酸性廢水、堿性廢水、含氰廢水、含鉻廢水、含鎘廢水、含汞廢水、含酚廢水、含醛廢水、含油廢水、含硫廢水、含有機磷廢水和放射性廢水等。前兩種分類法不涉及廢水中所含污染物的主要成分,也不能表明廢水的危害性。第三種分類法,明確地指出廢水中主要污染物的成分,能表明廢水一定的危害性。
工業污水流量計
工作原理:
工業污水流量計是在傳統力傳感器的基礎上,隨著新型傳感器、電子技術的發展是廈門廈儀研制開發成的第三代電容力感應式流量計,具有很高的靈敏度、準確度,量程范圍寬。
當介質在測量管中流動時,因其自身的動能通過阻流件(靶)時而產生的壓差,并對阻流件有一作用力,其作用力的大小與介質流速的平方成正比,其數學方式表達如下:
F=CdA.V2/2
式中:F阻流件所受的作用力(kg)
Cd物體阻力系數
A阻流件對測量管軸向投影面積(mm2)
ρ工況下介質密度(kg/m3)
v介質在測量管中的平均流速(m/s)
阻流件(靶)接受的作用力F,經剛性連接的傳遞件(測桿)傳至電容力傳感器,電容力傳
感器產生電壓信號輸出:
V=KF,由此,此電壓信號經前置放大、AD轉換及計算機處理后,即可得到相應的瞬時流
量和累積總量。
工業污水流量計的產品圖:
靶式流量計以其特有的抗干擾、抗雜質性能,除能替代常規流量所能測量的流量計量問題,廈門廈儀靶式流量計尤其在高粘度、臟污介質、易凝易堵、高溫、低溫、強腐蝕等流量
計量困難的工況中具有很好的適應性。
【工業污水流量計參數】
產品名稱工業污水流量計(靶式流量計)
適用介質氣體、液體、蒸汽、漿體、稠油、高粘度介質的流量計量
管徑(DN)DN15~DN3000mm至更大
公稱壓力0.001~42MPa(指連接法蘭公稱壓力,非介質的工作壓力)
工況溫度-20~+700℃(需更高溫度請與工廠聯系)
測量精度0.2~1.5%FS
量程范圍1:3(0.2%),1:10(0.5%),1:15(1.5%)
殼體材質碳鋼;不銹鋼;
供電方式內置3.6VDC鋰電池(可用兩年);外供24VDC;
輸出信號4~20mA二線制;脈沖0~1000HZ;RS485
防護等級IP65;IP67
防爆標志本安型ExiallCT4;隔爆型ExdllCT4
表頭顯示累積流量;瞬時流量;滿量程百分比;工況壓力;工況溫度;故障自檢
連接方式管道法蘭式(DN15-300mm);插入式(DN100-N6000mm至更大)。
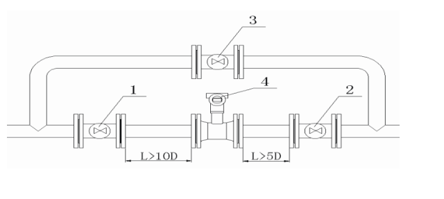
安裝要求可水平、垂直安裝;前后直管道應滿足前10D后5D(D公稱通徑)
特殊連接螺紋式;對夾式;在線拆裝式;(需特殊連接定貨時請說明)

【工業污水流量計產品特點】
●無可動部件,耐臟污,安裝簡便免維護
●可選用多種防腐及耐高低溫材質(如哈氏合金,鈦等)
●整機全密封無死角,無任何泄漏點,可耐42MPa高壓
●壓力損失小,僅為標準孔板的1/2△P左右
●傳感器不與被測介質接觸,不存在零部件磨損,使用安全可靠
●適用介質范圍廣:能準確測量各種溫度下的氣體、液體、蒸汽流量,可測二相流
●具有多種安裝方式供選擇,如選擇在線插入式,安裝費用低
●具有一體化溫度、壓力補償,直接輸出質量或標方
●具有可選小信號切除、非線性修正、濾波時間可選擇
●計量準確,精度可達到0.2~1.5%
●重復性好,一般為0.05~0.08%,測量快速
●儀表內設自檢程序,故障現象一目了然
●抗干擾,抗雜質能力特強
●多種輸出形式,能遠傳各種參數
●抗震動性強,一定范圍內可測脈動流
【工業污水流量計安裝注意事項】
不允許直接在流量計測量管前后端安裝閥門、彎頭等極大改變流體流態的部件,如果需要在流量計前后管道上安裝閥門、彎頭等部件也應盡量保證前后直管段長度,直管段要求前10D,后5D,對于新完工的工藝管道,應先進行初步吹掃后再安裝流量計。
以上就是工業污水流量計的全部內容,如有疑問,可以隨時聯系我們。
最新資訊文章
- 流速式流量計的安裝注意也需要一定講究
- 氣體渦街流量計在測量蒸汽爐煤氣時出現問題及解決方法
- 孔板流量計測量瓦斯抽放流量時的安裝要求及取壓方式
- 測蒸汽時應選孔板流量計還是渦街流量計?
- 差壓孔板流量計出現故障時 不妨試試以下方法
- 天然氣流量計管道調試故障原因分析
- 插入式流量計的原理與分類
- 如何消除污水流量計工頻干擾和零點漂移
- 孔板流量計:自動化設計廢鋼鐵行業轉行井噴
- 前后直管段太短時孔板流量計應該如何安裝
- 德爾塔巴流量計的安裝要求以及注意
- 高壓孔板流量計在冷凍水檢測中的注意要點及解決方案介紹
- 選型蒸汽流量計時所需要注意的問題介紹
- 導致孔板流量計誤差變大的原因分析
- 孔板流量計測量蒸汽產生誤差的原因分析及解決辦法
- 深入探究影響孔板流量計進行煤氣流量計量的因素
- 質量流量計和控制器引擎蓋下的主要組件詳細介紹
- 淺析階躍溫度及水流速度對金屬管浮子流量計的影響
- 選擇流量計時會犯的10個常見錯誤以及如何避免錯誤
- 運用標準計量器具校正金屬管浮子流量計
- 如何正確安裝蒸汽流量計
- 天燃氣流量計的功能介紹
- 蒸汽流量計運行工作前的準備和調試
- 限流孔板流量計作為流量測量元件的使用條件有哪些
- 環形孔板流量計在各介質中的應用












